LD 2435
Markierungsleuchte slim XS –

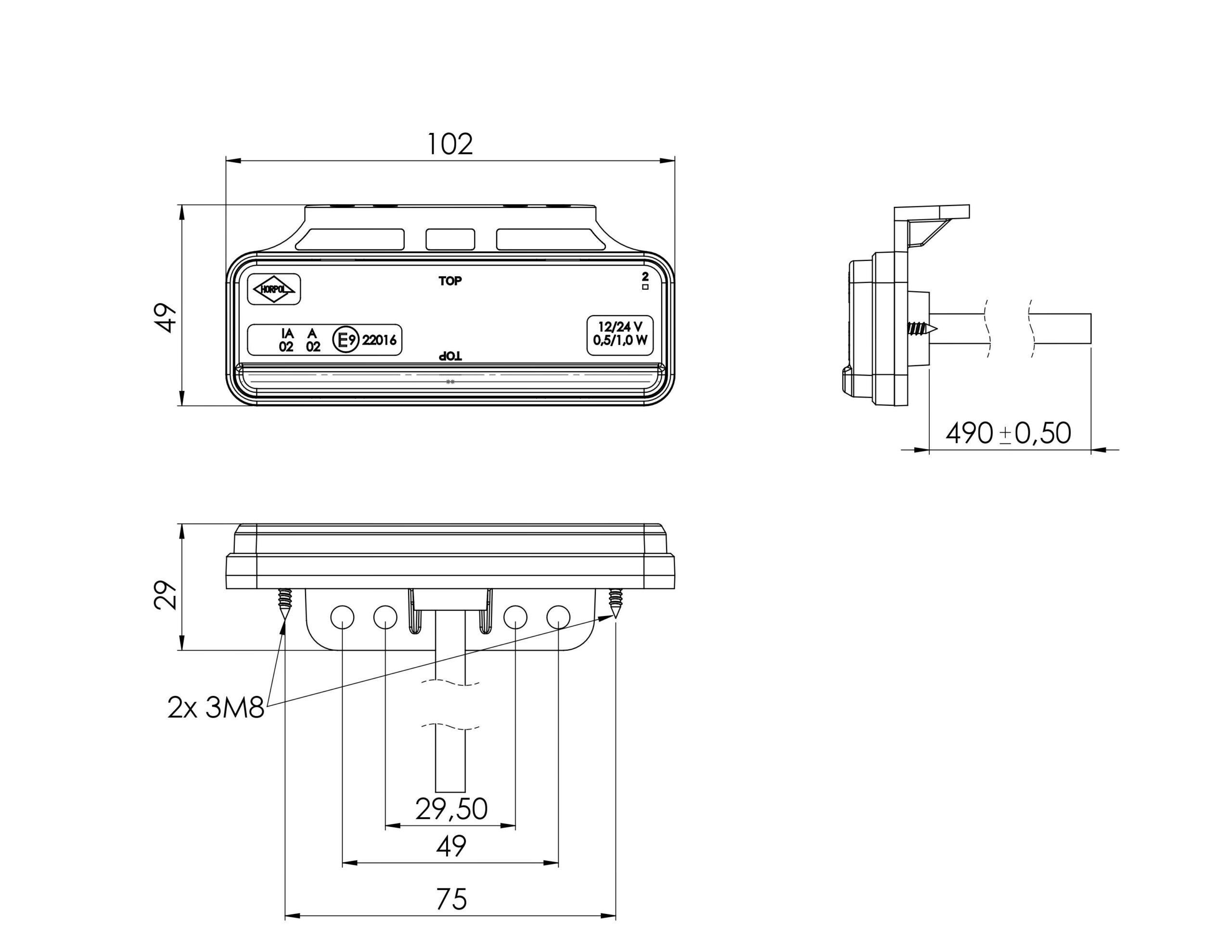
TECHNISCHE DATEN

Leuchtengruppe
HOR 93
Leuchtenkategorie
Begrenzungleuchte
Versorgungsspannung
12/24 V
Nennleistung
0,9/1,9 W
Betriebstemperaturbereich
von -30°C bis +50°C
Begrenzungsleuchte seitlich
Ja
Montageseite
universal
Dioden-Lampe (LED)
Ja
Schutzgrad
IP 68

Dateien zum Herunterladen

Markierungsleuchte slim XS - LD 2435 (technische zeichnung) 1 (markierungsleuchte-slim-xs-ld-2435-technische-zeichnung-1.ZIP)
Herunterladen
Markierungsleuchte slim XS - LD 2435 (anhang) 1 (markierungsleuchte-slim-xs-ld-2435-anhang-1.ZIP)
Herunterladen
Markierungsleuchte slim XS - LD 2435 (technische zeichnung) 2 (markierungsleuchte-slim-xs-ld-2435-technische-zeichnung-2.ZIP)
Herunterladen
Markierungsleuchte slim XS - LD 2435 (genehmigung) 1 (markierungsleuchte-slim-xs-ld-2435-genehmigung-1.ZIP)
Herunterladen
Markierungsleuchte slim XS - LD 2435 (technische zeichnung) 3 (markierungsleuchte-slim-xs-ld-2435-technische-zeichnung-3.ZIP)
Herunterladen
Markierungsleuchte HOR 93 (genehmigung R10) (markierungsleuchte-hor-93-genehmigung-r10.ZIP)
Herunterladen
Gesamter Inhalt der Webseite (ld-2435.ZIP)
Herunterladen

Wir schätzen Ihre Privatsphäre

Wir verwenden Cookies, um Ihre Browsing-Erfahrung zu verbessern, personalisierte Anzeigen oder Inhalte bereitzustellen und unseren Verkehr zu analysieren. Indem Sie auf "Alle akzeptieren" klicken, willigen Sie in unsere Verwendung von Cookies ein

Zum Angebot hinzugefügt
Menge:
logo
Zusammenstellung Ihrer Angebotsanfrage
Um ein Angebot zu senden, fügen Sie Produkte zur Liste hinzu
DATEN AUSFÜLLEN UND AN UNS IHRE ANGEBOTSANFRAGE SENDEN
Diese Eingabe ist erforderlich. Der eingegebene Name ist falsch
Diese Eingabe ist erforderlich. Der eingegebene Name ist falsch
Wprowadzony numer jest niepoprawny
Diese Eingabe ist erforderlich. Die eingegebene E-Mail-Adresse ist falsch.
Die eingegebene Steueridentifikationsnummer (NIP) ist falsch
Diese Eingabe ist erforderlich.
Diese Eingabe ist erforderlich. Wprowadzona wiadomość jest za krótka
Herunterladen Katalog